NEW - PULLMASTER PL SERIES
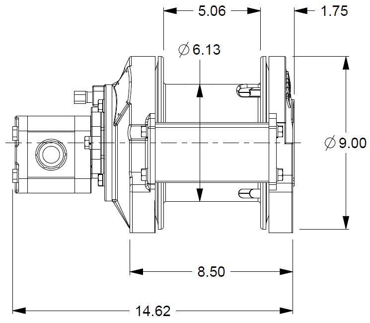
PULLMASTER PL2-12-228-1B HYDRAULIC WINCH
|
Click on above thumbnails for alternate view |
|
KEY: PL2:12:228:1B
Manufacturer: PULLMASTER
Model: PL2-12-228-1B
Sale Price: Request Quote
Instructions: <Click Here>


