NEW - PULLMASTERS H SERIES
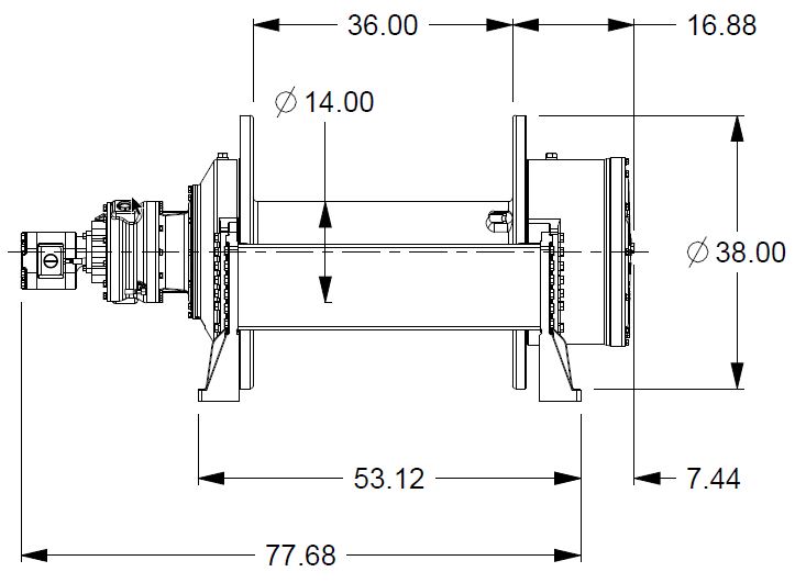
PULLMASTER H75-7-191-5 HYDRAULIC WINCH
|
Click on above thumbnails for alternate view |
|
KEY: H75:7:191:5
Manufacturer: PULLMASTER
Model: H75-7-191-5
Sale Price: Request Quote
Instructions: <Click Here>


