NEW - PULLMASTERS H SERIES
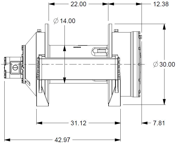
PULLMASTER H50-3-86-32 HYDRAULIC WINCH
|
Click on above thumbnails for alternate view |
|
KEY: H50:3:86:32
Manufacturer: PULLMASTER
Model: H50-3-86-32
Sale Price: Request Quote
Instructions: <Click Here>


