NEW - PULLMASTERS H SERIES
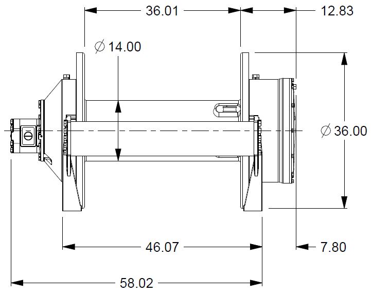
PULLMASTER H50-3-86-13 HYDRAULIC WINCH
|
Click on above thumbnails for alternate view |
|
KEY: H50:3:86:13
Manufacturer: PULLMASTER
Model: H50-3-86-13
Sale Price: Request Quote
Instructions: <Click Here>


