• Distribution Hubs in California, Louisiana & New Jersey

NEW - FAIRLEAD DECK MOUNTED

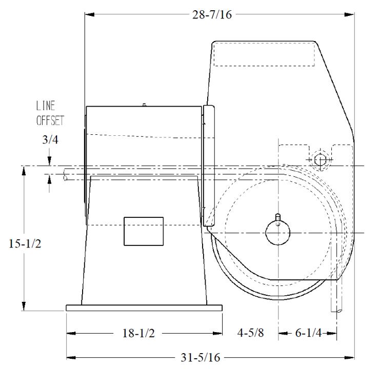
FAIRLEAD SMITH BERGER MD-614

Where to find FAIRLEAD SMITH BERGER MD-614 in Seattle

Image for reference only
Actual item may look different
Click on image for larger view

Where to find FAIRLEAD SMITH BERGER MD-614 in Seattle Where to find FAIRLEAD SMITH BERGER MD-614 in Seattle

Click on above thumbnails for alternate view

KEY: MD:614

Manufacturer: SMITH BERGER MAR

Model: MD-614

Sale Price: Request Quote

Instructions: <Click Here>

Quantity:

Additional Information

  • STANDARD FEATURES
  • Designed for Breaking Strength of 1-1/4 (32 mm) EIPS WireRope, 159,800 LBS, with 90 Wrap on the Sheave and 90 Rotation of Swivelhead
  • Cast Steel Sheave with Hardened Rope Groove for Longer Life
  • Sealed Grease Lubricated Tapered Roller Bearings in Sheave and Swivelhead
  • Weld Down Mounting Base
  • Removable Guide Roller
  • Epoxy Primer Coating
  • Weight: 700 lbs.
  • Approx Dimensions: L=31-5/16" x W=20" x H=28-1/8"
  • OPTIONAL FEATURES
  • Customized Design to Suit Your Application
  • Tail Sheaves / Tail Rollers
  • Stainless Steel or Nylon Sheaves
  • Bolt Down Mounting Base
  • Load Monitoring System
  • Three Coat Marine Paint System
  • Third Party Certification

Also check the following item(s) related to the above:
* Please call us with any questions about our fairlead smith berger md 614 in Belle Chasse LA, Seattle WA, Chesapeake VA, Anderson CA, Williamstown NJ, and the East, West, and Gulf Coasts areas.